专家导读

点评专家:朱志威
案例来源:汕头项目
关键词:道路封闭施工 车道转换
点评内容:本案例从主要矛盾(北进口)出发,通过分析路口流量和渠化,将北进口的护栏向右移动,使得进口调整为4车道,出口为2车道,解决了因北进口通行能力不足导致拥堵的问题,同时优化路口信号控制,减少交叉口交通冲突,提升通行效益。
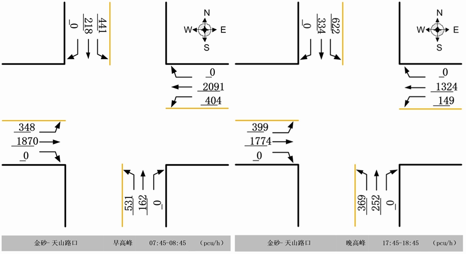
路口概况
金砂-天山路口位于金砂路与天山路交汇处,为十字路口。路口东西走向是金砂路,双向8车道,为城市主干道;南北走向是天山路,双向6车道,为城市次干道,周边分布众多住宅小区、商业区、医院等,两条道路日常通行车流量大,周边华山南路段封闭施工。


通过以上流量数据分析可知:
(1)高峰时段路口东西进口以直行车流量为主,且存在一定的潮汐流现象。
(2)高峰时段南北进口以左转车流量为主,其中北进口左转与北进口直行的流量比为2:1。

存在问题
1.北进口通行能力不足
高峰时段,北进口左转车流量过大(因华山南路路段封闭施工,由华山南路往金砂路车辆大部分绕行到榕江路,至本路口北进口左转进入金砂路),加上北进口只有1条左转专用车道,导致北进口左转通行能力不足,车辆需多次排队才可通过路口,出现北进口“排长队”、路段拥堵的现象。


2.存在安全隐患
(1)车车冲突
由于路口北进口左转车流量过大且通行能力不足,车辆排队较长;右转车辆被机非隔离栏阻挡和受排队的直行车影响,导致右转车辆滞留,加剧拥堵;又因左转车辆经常占直行车道行驶,导致北进口通行车辆拥挤情况加剧,“车车冲突”现象明显。

(2)人车冲突
高峰时段,南进口左转至西出口距离较远,加上南进口左转车闯黄灯现象突出,南进口经常出现左转尾车与下一相位同时放行的西面行人冲突的现象。

3.路口周期过大
晚高峰时段,路口周期大,达到205秒,东面人行横道过街行人及南进口机动车等待时间均超过150秒,等待时间过长,行人容易产生焦虑情绪而出现闯红灯现象。

优化思路
经实地调研,在现有路口交通组织条件下,相位设计与信号配时较难解决路口因车道不足带来通行效率不高的问题,因此只能从交通组织优化入手,解决路口存在的问题。
- 出口道变进口道策略
当地交管部门组织参与共同研究后,计划将北面3条出口道中靠中央隔离护栏的1条出口道转换成进口道来提高通行能力,缓解拥堵。
- 信号优化方面
根据实际情况精细化调整配时方案,缩短周期,提升路口安全系数和通行效率。
优化措施
1.北进口增加一条左转车道
偏移中央隔离护栏,将北面3条出口道中靠中央隔离护栏的1条出口道转换成进口道,路口北出口3条车道减少1条车道后,仍能满足南进口的通行需求。

2.其他渠化设施调整
根据北进口车辆通行需求,移除北进口处机非隔离护栏,减小冲突,提高车道利用率与安全系数。
3.配时调整
根据实际情况精细化调整相位及配时,设置西面行人迟启动(避免与上一相位左转尾车冲突),降低路口周期,提升通行效率。

优化效果
1.北进口优化效果明显
经对路口一周的跟踪调研发现,北进口晚高峰优化效果明显,排队长度、排队次数、拥堵持续时间数据对比如下:
表1 路口晚高峰优化效果数据对比表

2.通行秩序改善
北进口右转车通行顺畅,南进口左转尾车与西进口行人冲突的现象基本消除,安全系数提高,晚高峰周期缩短,行人等待时间缩短,提升了行人出行体验。



3.通行效率提高
路口晚高峰整体通行能力提高40%,北进口通行能力提升28%。
表2 路口晚高峰通行能力对比表

案例小结
随着城市的发展,由于道路封闭施工引起的周边路口车流变化、行车秩序混乱等一系列疑难杂症,很容易造成路段或路口的交通拥堵,交通事故发生率上升。
本案例通过交通组织微改造、偏移中央隔离护栏增加一条左转车道(出口道转换成进口道),调整相位相序、精细化调整配时,在提高车道利用率的同时解决了由于路口周边道路封闭施工给本路口带来的一系列问题,成功地缓解了路口、路段的拥堵问题,消除了安全隐患,提高了市民出行体验。
